900VH

Центр обрабатывающий модели 900VН предназначен для высокопроизводительной обработки деталей из различных конструкционных материалов в условиях единичного, мелкосерийного и серийного производства. Станок сочетает преимущества ранее выпускаемых моделей 800VH, 800VHT, 650H, но обладает большими технологическими возможностями, в том числе – высокой нагрузочной способностью, жесткостью, точностью, виброустойчивостью.
Станок с числовым программным управлением (ЧПУ) позволяет производить следующие виды обработки: сверление, зенкерование, развертывание отверстий, нарезание резьбы метчиками и фрезами, а также получистовое и чистовое прямолинейное и контурное фрезерование деталей, чистовое растачивание отверстий и канавок в них. Станок обеспечивает возможность комплексной обработки деталей сложной формы с пяти сторон за одну установку

Центр обрабатывающий модели 900VН станок ЧПУ
конструктивные особенности станка с ЧПУ

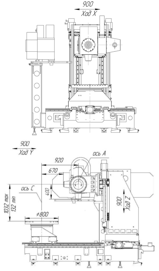
Рабочая зона

В станке объединены следующие конструктивные особенности:
– сдвоенный привод оси Z обеспечивает высокую точность перемещения поворотной фрезерной головки;
– перемещение поворотного стола по оси Y и колонны по оси Х увеличивают зону обработки, абсолютные датчики линейных перемещений обеспечивают высокую точность позиционирования рабочих органов;
– поворотная головка позволяет выполнять сверлильно-фрезерно-расточные операции вращающимся инструментом и токарные операции зафиксированным инструментом при непрерывном повороте и фиксированном положении шпинделя по оси А (модификация 900VHT, 900VHTC);
– точность позиционирования поворотных осей А и С конструктивно обеспечивается абсолютными датчиками, беззазорным редуктором, установленным на оси А наклона шпинделя и высокомоментным электродвигателем прямого привода, установленным на оси С вращения планшайбы;
– устройство автоматической смены инструмента манипуляторного типа и инструментальный магазин расположены вне зоны обработки и надежно защищены от попадания стружки и СОЖ;
– крупногабаритные и ответственные детали выполнены из чугуна, обеспечивающего жесткость и виброустойчивость механической структуры;
– для смазки направляющих и ШВП используется автоматическая импульсная система смазки;
– опционально станок комплектуется горизонтальным шпинделем (4-осевое модификационное исполнение 900Н, 5-осевое модификационное исполнение 900Н5), устройством смены заготовок (модификация 900VHC, 900VHТC, 900HC).
Станок имеет широкие диапазоны величин подач и частот вращения шпинделя, которые полностью обеспечивают выбор нормативных режимов резания для обработки заготовок из различных конструкционных материалов. На станке программируются координатные перемещения колонны (ось Х), стола (ось Y), поворотной головки (ось Z), положение шпинделя (горизонтальное или вертикальное) (ось А), частота вращения стола (ось С), скорость их перемещений, частота вращения шпинделя и работа устройства АСИ.

СТОЛ

Стол поворотный предназначен для установки обрабатываемой детали и поворота ее во время обработки.
Стол перемещается по оси Y и поворачивается относительно оси С.
Центральный паз и отверстие планшайбы калиброванные.
Реализация привода оси С на базе встроенного высокомоментного электродвигателя обеспечивает высокую крутильную жесткость и повышенную динамическую устойчивость конструкции.
Станок укомплектован системой охлаждения двигателя привода оси С.
Частота вращения по оси С имеет непрерывное регулирование, а положение стола может быть задано позиционно (т.е. на заданный угол)
Фиксация поворотной части стола осуществляется гидравлическим тормозом 

Стол поворотный для станка ЧПУ 900VH
шпиндель мотор капсульной конструкции для станка с ЧПУ 900VH

ШПИНДЕЛЬ

Станок укомплектован шпиндель-мотором капсульной конструкции с прямым приводом, встроенным механизмом зажима и отжима инструментальной оправки. Двигатель шпинделя имеет жидкостное охлаждение.
Шпиндель-мотор оснащен измерительной системой контроля угла ориентации и оборотов шпинделя, сенсорами контроля работы системы зажима инструмента, датчиками температуры подшипникового узла.
При смене инструмента обеспечивается обдув инструментального конуса сжатым воздухом. Запирающий воздух подается в лабиринтное уплотнение передней подшипниковой опоры шпинделя.
Подача СОЖ в зону резания осуществляется через дюзы на торце шпинделя и через инструмент.
Степень защиты шпиндель-мотора не менее IP64.
Для обеспечения долговечной и бесперебойной работы шпиндель-мотора станок комплектуется необходимыми системами: гидравлической, пневматической, системой смазки, системой охлаждения двигателя.
Опционально возможна установка шпинделя для токарной обработки

ГОЛОВКА ПОВОРОТНАЯ

Головка поворотная предназначена для обработки детали под разными углами в плоскости YOZ в пределах от 0 до 90 градусов.
В поворотную головку интегрирован шпиндель-мотор.
Изменение угла наклона шпиндель-мотора осуществляется узлом поворота, реализованным на базе высокоточного безлюфтового редуктора и электродвигателя.
Стабильность наклона узла поворота осуществляется устройством торможения.
Через плиту головка поворотная крепится к шпиндельной бабке 

Головка поворотная станка с ЧПУ 900VH
Инструментальный магазин станка с ЧПУ 900VH

ИНСТРУМЕНТАЛЬНЫЙ МАГАЗИН

Магазин инструментальный цепного типа расположен на опорах с левой стороны от основания станка. Защищен от попадания стружки и СОЖ в процессе обработки заготовки.
Устройство автоматической смены инструмента манипуляторного типа установлено на раму магазина.
Привод цепи магазина и манипулятора реализован при помощи высокоточного редуктора и электродвигателя. Перемещение механизма перехвата и манипулятора в зону смены инструмента осуществляется при помощи пневмоцилиндров.
Все функции по смене инструмента, включая установку в шпиндель станка, выполняются перемещением и поворотом манипулятора 

СИСТЕМА УПРАВЛЕНИЯ

Станок оснащен системой ЧПУ HNC-848 которая использует модульную открытую архитектуру, структуру NC и MPC, состоящую из двух модулей центрального процессора и 17-дюймового LED LCD дисплея.

Принимая во внимание привычки пользователя, система предоставляет множество шаблонов интерфейса, благодаря чему пользователи могут использовать знакомый стиль интерфейса, что позволяет сокращать сроки обучения и адаптации персонала.

Основные отличителные особенности системы:

  • Технология высокоскоростного и высокоточного управления
  • Технология пятиосевого управления Автоматическая калибровка по 5 осям
  • Функция 5-осевого RTCP
  • 5-осевая интерполяция по большой окружности
  • Гиперболическая интерполяция
  • Пятиосевая обработка
  • Технология синхронного управления
  • Технология компенсации ошибок
  • Технология прямого привода
  • Интеллектуальная технология управления
  • Токарная и фрезерная обработка
  • Многоканальное управление
  • Непрерывная интеграция программного обеспечения CAM
  • Поддержка сенсорного экрана
  • Функция устранения зазора между несколькими двигателями
  • Многочисленные данные для станков с ЧПУ
  • Контроль поломки инструмента
  • Обеспечение исправности станка
  • Интеллектуальная оптимизация параметров процесса
  • Интеллектуальное управление сроком службы инструмента
  • Менеджер облачных технологий ЧПУ
  • Технология компенсации тепловых ошибок

ЧПУ HNC-848 которая использует модульную открытую архитектуру

ТЕХНИЧЕСКИЕ ХАРАКТЕРИСТИКИ В БАЗОВОМ ИСПОЛНЕНИИ

Характеристики устанавливаемого инструмента

Инструментальный конус                                                                                                                                                HSK A100
Максимальная длина                                                                                                                                                            400 мм
Максимальный диаметр (через одно гнездо)                                                                                                      125 (250) мм
Максимальная масса                                                                                                                                                                 25 кг

Рабочие и установочные перемещения

Наибольшее программируемое перемещение:
- по оси Х                                                                                                                                                                                  900 мм
- по оси Y                                                                                                                                                                                  900 мм
- по оси Z                                                                                                                                                                                  900 мм
- по оси А                                                                                                                                                                                 90°±10°
- по оси C                                                                                                                                                                                     ±360°

Точность двухстороннего позиционирования 

По оси Х                                                                                                                                                                                    10 мкм
По оси Y                                                                                                                                                                                    10 мкм
По оси Z                                                                                                                                                                                    10 мкм
По оси А                                                                                                                                                                                 6 угл.сек
По оси С                                                                                                                                                                                 6 угл.сек

Шпиндель

Диапазон частот вращения                                                                                                                           10...10000 об./мин
Наибольший крутящий момент                                                                                                                                        295 Нм

Стол

Размер рабочей поверхности стола                                                                                                                              Ø900 мм
Грузоподъемность                                                                                                                                                                1000 кг

Система автоматической смены инструмента

Емкость инструментального магазина                                                                                                                              40 шт.
Максимальная суммарная масса инструмента                                                                                                                400 кг
Время смены инструмента                                                                                                                                                    12 сек

КОМПЛЕКТ ПОСТАВКИ

Станок в базовом исполнении

  • Шпиндель HSK A100, 12000-16000 мин-1, 250-350 Нм
  • Стол Ø800 мм
  • Магазин 40 поз.
  • Станция СОЖ, объем станции 600 л, наружная подача СОЖ в зону резания, подача СОЖ через инструмент 70 бар, пистолет СОЖ
  • 2 шнековых транспортера в зоне резания, ленточный транспортер и бак для стружки
  • Защита направляющих и ШВП
  • Кабинетное ограждение
  • Фильтр паров СОЖ
  • Автоматическая импульсная система смазки
  • Блок подготовки воздуха, блок тонкой очистки, компрессор подачи запирающего воздуха в шпиндель после отключения станка
  • Система охлаждения двигателя шпинделя
  • Гидростанция и гидросистема
  • Электронная блокировка дверей ограждения, дверей электрошкафа
  • Освещение рабочей зоны, освещение электрошкафа
  • 3-цветная сигнальная ламп состояния станка
  • Комплект транспортных устройств
  • Комплект сопроводительной и эксплуатационной документации на бумажном носителе
  • Упаковка стандартная (полиэтиленовый чехол)
  • Пусконаладочные работы согласно регламенту Производителя
  • Инструктаж персонала технический (3х специалистов): электронщика, наладчика, оператора
  • Консультации по условиям монтажа и режимам работы оборудования

Опциональная комплектация

  • Шпиндель скоростной HSK A63, 20000-24000 мин-1, 80-150 Нм
  • Шпиндель силовой HSK A100, 8000 мин-1, 600 Нм
  • Шпиндель горизонтальный механический SK 40, 8000 мин-1, 110 Нм (900H, 900HC, 900H5)
  • Стол поворотный Ø1000 (900VH)
  • Стол наклонно-поворотный Ø630 (900H5)
  • Шпиндель токарно-фрезерный HSK Т100, 12000-16000 мин-1, 250-350 Нм
  • Устройство смены заготовок (900VHC, 900VHTC, 900HC)

Дополнительная комплектация

  • Система контроля режущего инструмента
  • Система контроля детали
  • Станция тонкой очистки СОЖ увеличенного объема на 1000 л
  • Термостабилизатор СОЖ
  • Скиммер (отделитель масла)
  • Подача воздуха в зону резания через форсунки шпинделя
  • Подача воздуха через шпиндель
  • Система диагностики и мониторинга
  • Кондиционер электрошкафа
  • Иллюминатор

Услуги

  • Расширенная гарантия на срок до 24 мес.
  • Постпроцессор для NX
  • Кинематическая 3D модель с симуляцией обработки в NX
  • Кинематическая 3D модель с симуляцией обработки в VERICUT 
  • Разработка технологии (расчет режимов резания), управляющая программа, внедрение по чертежу детали

ОБРАТНАЯ СВЯЗЬ

Свяжитесь с нами по любым интересующим Вас вопросам по контактным данным ниже или с помощью формы обратной связи

Контактная информация

127018, Россия, г. Москва,
ул. Сущёвский Вал, д. 18
CRM-форма появится здесь