1715-1

Токарный обрабатывающий центр модели 1715-1 предназначен для комплексной обработки деталей типа тел вращения: фланцев, валов, ступиц. Станок с числовым программным управлением (ЧПУ) позволяет производить наружное точение, сверление, нарезание резьбы.

Технические характеристики и жёсткость станка позволяют полностью использовать возможности современного инструмента при обработке, как чёрных, так и цветных металлов, титановых сплавов, жаропрочных сталей.

Станок токарный с ЧПУ 1715-1
Конструкция станка 

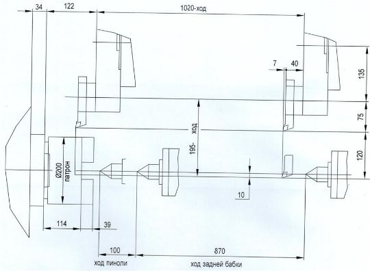
Рабочая зона

Конструкция станка построена по модульному принципу, позволяющему изготавливать на базовой основе варианты исполнения станков с наиболее оптимальной для потребителя схемой компоновки с различной степенью автоматизации и комплектации.

Все базовые корпусные детали рассчитаны по методу конечных элементов. Чугунные литые корпуса станка в сочетании с оптимальными сечениями и расположением ребер, а также ряд современных конструктивных решений обеспечивают станку высокую жесткость и демпфирующую способность. Вследствие чего гарантируется высокая точность обработки деталей.

Для защиты линейных направляющих и винтовых передач от стружки и СОЖ на станке установлены телескопические защиты по продольной оси Z и поперечной оси X

ТОКАРНЫЙ ШПИНДЕЛЬ

Привод механизма шпинделя осуществляется от электродвигателя через ременную передачу. Корпус бабки шпиндельной установлен на левой головной части станины.
Шпиндель выполнен двухопорным. Передняя опора состоит из прецизионного цилиндрического роликоподшипника и упорно-радиального двойного шарикоподшипника. Задняя опора состоит из прецизионного цилиндрического роликоподшипника.
С левого торца корпуса крепится угловой энкодер для нарезки резьбы.
Передний конец шпинделя - фланцевый для обеспечения крепления гидрозажиного патрона. Задний конец шпинделя имеет посадочный поясок для крепления гидроцилиндра управления патроном.
Выбор частоты вращения шпинделя осуществляется автоматически по программе.

Токарный шпиндель токарного станка с ЧПУ
Токарный мотор шпиндель на Токарный обрабатывающий центр модели 1715-1

ТОКАРНЫЙ мотор-ШПИНДЕЛЬ

Опционально возможно оснащение станка токарным мотор-шпинделем.
В данном случае бабка шпиндельная представляет собой интегрированный мотор – шпиндель, встроенный в литой корпус. На корпусе установлен гидравлический тормоз, который фиксирует шпиндель во время выполнения обработки приводным инструментом. С левого торца корпуса крепится угловой энкодер для нарезки резьбы.

Корпус бабки шпиндельной установлен на левой головной части станины. Крепление бабки шпиндельной к станине осуществляется винтами.

Выбор частоты вращения шпинделя осуществляется автоматически по программе.

Револьверная ГОЛОВКА

Револьверная головка смонтирована на суппорте для обеспечения перемещения режущего инструмента в продольном и поперечном направлениях. К торцам корпуса суппорта прикреплена телескопическая защита, закрывающая винт продольной подачи и линейные направляющие на всей длине хода. Револьверная головка позволяет устанавливать до 12 резцов сечением до 20х20 мм.

Опционально возможно оснащение станка револьверной головкой с приводным инструментом YASUN R63A-40U.

  • Количество инструментальных позиций - 12 шт.
  • Типоразмер хвостовика - BMT 40
  • Интерфейс инструментальной оправки - DIN 1809
  • Мощность привода инструментального шпинделя - 3 кВт
  • Частота вращения приводного инструмента - 6000 об./мин
  • Крутящий момент привода инструментального шпинделя - 10 Нм
  • Точность (повторяемость) позиционирования по оси С - ±20 (±10) угл. сек.

Опционально возможно оснащение станка револьверной головкой с приводным инструментом и осью Y YASUN Y12-BMT40.

  • Количество инструментальных позиций - 12 шт.
  • Типоразмер хвостовика - BMT 40
  • Интерфейс инструментальной оправки - DIN 1809
  • Мощность привода инструментального шпинделя - 3 кВт
  • Частота вращения приводного инструмента - 6000 об./мин
  • Крутящий момент привода инструментального шпинделя - 16 Нм
  • Ход по оси Y - ±35 мм
  • Точность (повторяемость) позиционирования по оси С - ±20 (±10) угл. сек.
  • Точность (повторяемость) позиционирования по оси Y - ±4 (±2) мкv

Револьверная ГОЛОВКА Токарный обрабатывающий центр модели 1715-1
Бабка задняя для поджима изделия

Задняя бабка

Бабка задняя предназначена для поджима изделия и состоит из корпуса пиноли и гидравлического механизма перемещения пиноли.
Пиноль бабки задней перемещается автоматически. Ограничение перемещения пиноли осуществляется за счет двух конечных выключателей, входящих в гидроцилиндр.
Управление осуществляется дистанционно посредством двух педалей. Отвод и подвод пиноли бабки задней и разжим и зажим кулачков патрона осуществляются от одних педалей, при этом переключение управления педалями производится с пульта ЧПУ.

Опционально возможна установка токарного противошпинделя вместо задней бабки.
Противошпиндель представляет собой интегрированный мотор – шпиндель, встроенный в литой корпус. На корпусе установлен гидравлический тормоз, который фиксирует шпиндель во времявыполнения обработки приводным инструментом.
Противошпиндель комплектуется механизированным патроном с управлением от гидравлического цилиндра.

Противошпиндель

Опционально возможно оснащение станка противошпинделемCTB BCES-A205WS.

  • Конус шпинделя - А2-5
  • Диаметр патрона - 165 мм
  • Максимальная частота вращения - 5000 об./мин
  • Номинальная частота вращения - 2500 об./мин
  • Крутящий момент (S1/S6) - 42/57 Нм
  • Мощность привода (S1/S6) - 11/15 кВт
  • Диаметр отверстия в шпинделе - 56 мм

Противошпиндель для токарного станка чпу
Пульт системы управления токарный обрабатывающий центр модели 1715-1

Система управления

Станок оснащен системой ЧПУ Балт-СистемNC-400 которая отличается уникальным сочетанием многофункциональности, надежности и возможностью одновременной многоосевой обработки. Система имеет открытую архитектуру, что позволяет удовлетворять растущие требования потребителей путем встраивания дополнительных аппаратных и программных модулей.

Система позволяет работать с датчиками типа энкодер, резольвер и индуктосин. Эти качества позволяют эффективно применять устройство для управления токарным обрабатывающим центром.

Основные отличителные особенности системы:

  • Наличие дискретных входов и выходов;
  • Подготовка управляющих программ одновременно с выполнением цикла обработки детали;
  • Вывод информационных сообщений (ошибки при подготовке кадров, ошибки оператора, ошибки диагностики системы и станка);
  • Компенсация погрешности ходового винта и компенсация люфтов;
  • Программные ограничения;
  • Управление разгоном/торможением по линейному или экспоненциальному закону;
  • Электронный штурвал;
  • Диагностика при включении и во время работы;
  • Встроенный программируемый интерфейс логики станка;
  • Язык высокого уровня для программирования интерфейса логики станка;
  • Видеографика.

Опционально возможно оснащение станка системой ЧПУ HNC 848.

ТЕХНИЧЕСКИЕ ХАРАКТЕРИСТИКИ В БАЗОВОМ ИСПОЛНЕНИИ

Характеристики обрабатываемой детали

Максимальный обрабатываемый диаметр                                                                                                                    210 мм
Максимальный устанавливаемый диаметр                                                                                                                   300 мм
Максимальная масса заготовки                                                                                                                                           150 кг
Максимальная обрабатываемая длина                                                                                                                         1000 мм

Рабочая зона

Расстояние между центрами заготовки и инструментального шпинделя                                                            190 мм
Ход по оси X                                                                                                                                                                             195 мм
Ход по оси Z                                                                                                                                                                           1020 мм
Ход задней бабки (ось W)                                                                                                                                                     870 мм

Револьверная головка

Количество инструментальных позиций                                                                                                                         12 шт.
Сечение устанавливаемого инструмента                                                                                                                   20х20 мм

Точность (повторяемость) двустороннего позиционирования 

По оси Z                                                                                                                                                                         ± 12 (± 6) мкм
По оси X                                                                                                                                                                           ± 6 (± 3) мкм
По оси W                                                                                                                                                                       ± 12 (± 6) мкм

Токарный шпиндель

Конус шпинделя                                                                                                                                                                          А2-5
Максимальная частота вращения                                                                                                                         4500 об./мин
Номинальная частота вращения                                                                                                                           1000 об./мин
Номинальный крутящий момент                                                                                                                                        75 Нм
Номинальная мощность привода                                                                                                                                   6,25 кВт
Диаметр отверстия в шпинделе                                                                                                                                          56 мм
Диаметр патрона                                                                                                                                                                   165 мм

КОМПЛЕКТ ПОСТАВКИ

Станок в базовом исполнении

  • Шпиндель базовый А2-5, 4 500 об./мин, 75 Нм, 6,25 кВт, патрон Ø165 мм
  • Система управления станком с ЧПУ Балт-Систем NC400
  • Револьверная головка Yasun SLT63A на 12 поз.
  • Задняя бабка
  • Станция СОЖ на 120 л, наружная подача в зону резания, пистолет СОЖ
  • Система смазки
  • Ленточный транспортер в зоне резания и бак для стружки
  • Комплект защиты направляющих и ШВП
  • Преобразователи угловых перемещений
  • Пульт оператора стационарный
  • Трёхцветная сигнальная лампа работы режимов станка
  • Упаковка стандартная (полиэтиленовый чехол)
  • Комплект сопроводительной и эксплуатационной документации на бумажном носителе
  • Комплект закладных частей фундамента (клиновые опоры) для выставки и установки станка на фундаменте
  • Шеф-монтаж
  • Пусконаладочные работы
  • Базовая гарантия на 12 мес.

Опциональное исполнение

  • Шпиндель высокоскоростной А2-5, 6 000 мин-1, 72/88 Нм, 15/18,5 кВт, патрон Ø165 мм
  • Шпиндель силовой А2-6, 4 500 мин-1, 191/235 Нм, 15/19 кВт, патрон Ø210 мм 
  • Противошпиндель А2-5, 5000 об/мин, 42/57 Нм, 11/15 кВт, патрон Ø165 мм 
  • Система управления станком с ЧПУ HNC 848
  • Преобразователи линейных перемещений
  • Револьверная приводная головка Yasun R63A-40U на 12 поз.
  • Револьверная приводная головка Yasun Y12-BMT40 на 12 поз. с осью Y

Дополнительная комплектация

  • Система мониторинга и защиты «Диспетчер»
  • Барфидер Samsys Multi 3000
  • Кондиционер шкафа управления DKS R5KLM15042RT
  • Система измерения инструмента Renishaw HPRA F-2176-0671
  • Маслоотделитель SKMR 14
  • Фильтр масляного тумана Reven X-CYCLONE RJ-2

Услуги

  • Доставка автотранспортом до склада заказчика
  • Расширенная гарантия на срок до 24 мес.
  • Постпроцессор для NX
  • Кинематическая 3D модель с симуляцией обработки в NX
  • Кинематическая 3D модель с симуляцией обработки в VERICUT

ОБРАТНАЯ СВЯЗЬ

Свяжитесь с нами по любым интересующим Вас вопросам по контактным данным ниже или с помощью формы обратной связи

Контактная информация

127018, Россия, г. Москва,
ул. Сущёвский Вал, д. 18
CRM-форма появится здесь